Menu
大发在线(中国)
关于新桥
新桥简介
组织架构
合作院校
企业荣誉
企业文化
大发在线登录
公司新闻
新硫快讯
产品介绍
安全环保
科技创新
人力资源
人才战略
联系我们
x
全站搜索
搜索
当前位置:
大发在线(中国)
>
安全环保
安全环保
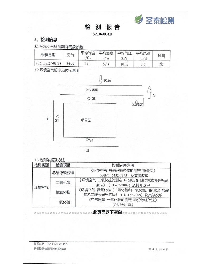
矶山风井24小时环境空气检测报告
发布时间:
2021-11-08 09:40
阅读次数:
8364
分享:
铜陵化工集团大发在线登录2022年外排水自行监测指标
铜陵化工集团大发在线登录露天转地下开采采矿技改工程(一期)竣工环境保护报告
乐动网页登录
|
大发在线登录
|
安博集团
|
大发在线(中国)唯一官方网站
|
LEwin乐玩网页
|
华体会线上平台(集团)官方网站
|
lewin乐玩国际
|
乐玩LW公司
|
雷火APP下载
|